关键词:触发器,锁存器
Latch 的含义
锁存器(Latch),是电平触发的存储单元,数据存储的动作取决于输入时钟(或者使能)信号的电平值。仅当锁存器处于使能状态时,输出才会随着数据输入发生变化。
当电平信号无效时,输出信号随输入信号变化,就像通过了缓冲器;当电平有效时,输出信号被锁存。激励信号的任何变化,都将直接引起锁存器输出状态的改变,很有可能会因为瞬态特性不稳定而产生振荡现象。
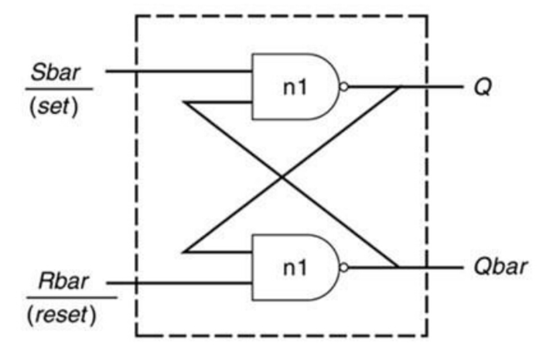
锁存器示意图如下:

触发器(flip-flop),是边沿敏感的存储单元,数据存储的动作(状态转换)由某一信号的上升沿或者下降沿进行同步的(限制存储单元状态转换在一个很短的时间内)。
触发器示意图如下:

寄存器(register),在 Verilog 中用来暂时存放参与运算的数据和运算结果的变量。一个变量声明为寄存器时,它既可以被综合成触发器,也可能被综合成 Latch,甚至是 wire 型变量。但是大多数情况下我们希望它被综合成触发器,但是有时候由于代码书写问题,它会被综合成不期望的 Latch 结构。
Latch 的主要危害有:
- 1)输入状态可能多次变化,容易产生毛刺,增加了下一级电路的不确定性;
- 2)在大部分 FPGA 的资源中,可能需要比触发器更多的资源去实现 Latch 结构;
- 3)锁存器的出现使得静态时序分析变得更加复杂。
Latch 多用于门控时钟(clock gating)的控制,一般设计时,我们应当避免 Latch 的产生。
if 结构不完整
组合逻辑中,不完整的 if - else 结构,会产生 latch。
例如下面的模型,if 语句中缺少 else 结构,系统默认 else 的分支下寄存器 q 的值保持不变,即具有存储数据的功能,所以寄存器 q 会被综合成 latch 结构。
实例
input data,
input en ,
output reg q) ;
always @(*) begin
if (en) q = data ;
end
endmodule
避免此类 latch 的方法主要有 2 种,一种是补全 if-else 结构,或者对信号赋初值。
例如,上面模型中的always语句,可以改为以下两种形式:
实例
always @(*) begin
if (en) q = data ;
else q = 1'b0 ;
end
//赋初值
always @(*) begin
q = 1'b0 ;
if (en) q = data ; //如果en有效,改写q的值,否则q会保持为0
end
但是在时序逻辑中,不完整的 if - else 结构,不会产生 latch,例如下面模型。
这是因为,q 寄存器具有存储功能,且其值在时钟的边沿下才会改变,这正是触发器的特性。
实例
input clk ,
input data,
input en ,
output reg q) ;
always @(posedge clk) begin
if (en) q <= data ;
end
endmodule
在组合逻辑中,当条件语句中有很多条赋值语句时,每个分支条件下赋值语句的不完整也是会产生 latch。
其实对每个信号的逻辑拆分来看,这也相当于是 if-else 结构不完整,相关寄存器信号缺少在其他条件下的赋值行为。例如:
实例
input data1,
input data2,
input en ,
output reg q1 ,
output reg q2) ;
always @(*) begin
if (en) q1 = data1 ;
else q2 = data2 ;
end
endmodule
这种情况也可以通过补充完整赋值语句或赋初值来避免 latch。例如:
实例
//q1 = 0; q2 = 0 ; //或在这里对 q1/q2 赋初值
if (en) begin
q1 = data1 ;
q2 = 1'b0 ;
end
else begin
q1 = 1'b0 ;
q2 = data2 ;
end
end
case 结构不完整
case 语句产生 Latch 的原理几乎和 if 语句一致。在组合逻辑中,当 case 选项列表不全且没有加 default 关键字,或有多个赋值语句不完整时,也会产生 Latch。例如:
实例
input data1,
input data2,
input [1:0] sel ,
output reg q ) ;
always @(*) begin
case(sel)
2'b00: q = data1 ;
2'b01: q = data2 ;
endcase
end
endmodule
当然,消除此种 latch 的方法也是 2 种,将 case 选项列表补充完整,或对信号赋初值。
补充完整 case 选项列表时,可以罗列所有的选项结果,也可以用 default 关键字来代替其他选项结果。
例如,上述 always 语句有以下 2 种修改方式。
实例
case(sel)
2'b00: q = data1 ;
2'b01: q = data2 ;
default: q = 1'b0 ;
endcase
end
always @(*) begin
case(sel)
2'b00: q = data1 ;
2'b01: q = data2 ;
2'b10, 2'b11 :
q = 1'b0 ;
endcase
end
原信号赋值或判断
在组合逻辑中,如果一个信号的赋值源头有其信号本身,或者判断条件中有其信号本身的逻辑,则也会产生 latch。因为此时信号也需要具有存储功能,但是没有时钟驱动。此类问题在 if 语句、case 语句、问号表达式中都可能出现,例如:
实例
reg a, b ;
always @(*) begin
if (a & b) a = 1'b1 ; //a -> latch
else a = 1'b0 ;
end
//signal itself are the assigment source
reg c;
wire [1:0] sel ;
always @(*) begin
case(sel)
2'b00: c = c ; //c -> latch
2'b01: c = 1'b1 ;
default: c = 1'b0 ;
endcase
end
//signal itself as a part of condition in "? expression"
wire d, sel2;
assign d = (sel2 && d) ? 1'b0 : 1'b1 ; //d -> latch
避免此类 Latch 的方法,就只有一种,即在组合逻辑中避免这种写法,信号不要给信号自己赋值,且不要用赋值信号本身参与判断条件逻辑。
例如,如果不要求立刻输出,可以将信号进行一个时钟周期的延时再进行相关逻辑的组合。上述第一个产生 Latch 的代码可以描述为:
实例
reg a_r ;
always (@posedge clk)
a_r <= a ;
always @(*) begin
if (a_r & b) a = 1'b1 ; //there is no latch
else a = 1'b0 ;
end
敏感信号列表不完整
如果组合逻辑中 always@() 块内敏感列表没有列全,该触发的时候没有触发,那么相关寄存器还是会保存之前的输出结果,因而会生成锁存器。
这种情况,把敏感信号补全或者直接用 always@(*) 即可消除 latch。
小结
总之,为避免 latch 的产生,在组合逻辑中,需要注意以下几点:
- 1)if-else 或 case 语句,结构一定要完整
- 2)不要将赋值信号放在赋值源头,或条件判断中
- 3)敏感信号列表建议多用 always@(*)